繁體中文
English
詢價車
關於我們
自有品牌-ELSIE
代理品牌-DINKLE
代理品牌-REER
代理品牌-AUTONICS
代理品牌-WIKA
代理品牌-PCM
最新消息
2026
2025
2024
2023
2022
2021
產品介紹
ELSIE
數位壓力傳感器
數位流量壓力傳感器
光遮斷器
REER
安全光幕
安全集成控制器
安全感測器
安全模組
DINKLE
快接接頭
智慧電表
電源供應器
網路交換器
電源分配模組
感測器轉接端子台
饋電及寶塔型端子台
訊號轉接端子台
繼電器模組
空中接頭
繼電器與光耦合繼電器
歐規直插式端子台
歐規螺絲式端子台
傳統式及彈簧式端子台
軌道式產品配件
M8/M12防水連接器
WIKA
壓力傳送器
氣瓶重量秤重模組
AUTONICS
BS5-P Series
PCM
離線式不斷電系統 (OFF-LINE)
在線互動式不斷電系統 (interactive)
機能型不斷電系統
在線式不斷電系統(On-Line)
AIRBEST
KINO
防水盒
下載專區
ELSIE
DINKLE
REER
WIKA
防水盒
聯絡我們
繁體中文
English
詢價車 (
0
)
首頁
產品介紹
ELSIE
數位壓力傳感器
EDS系列:RS485通訊型高差壓傳感器
EDS系列:RS485通訊型高差壓傳感器
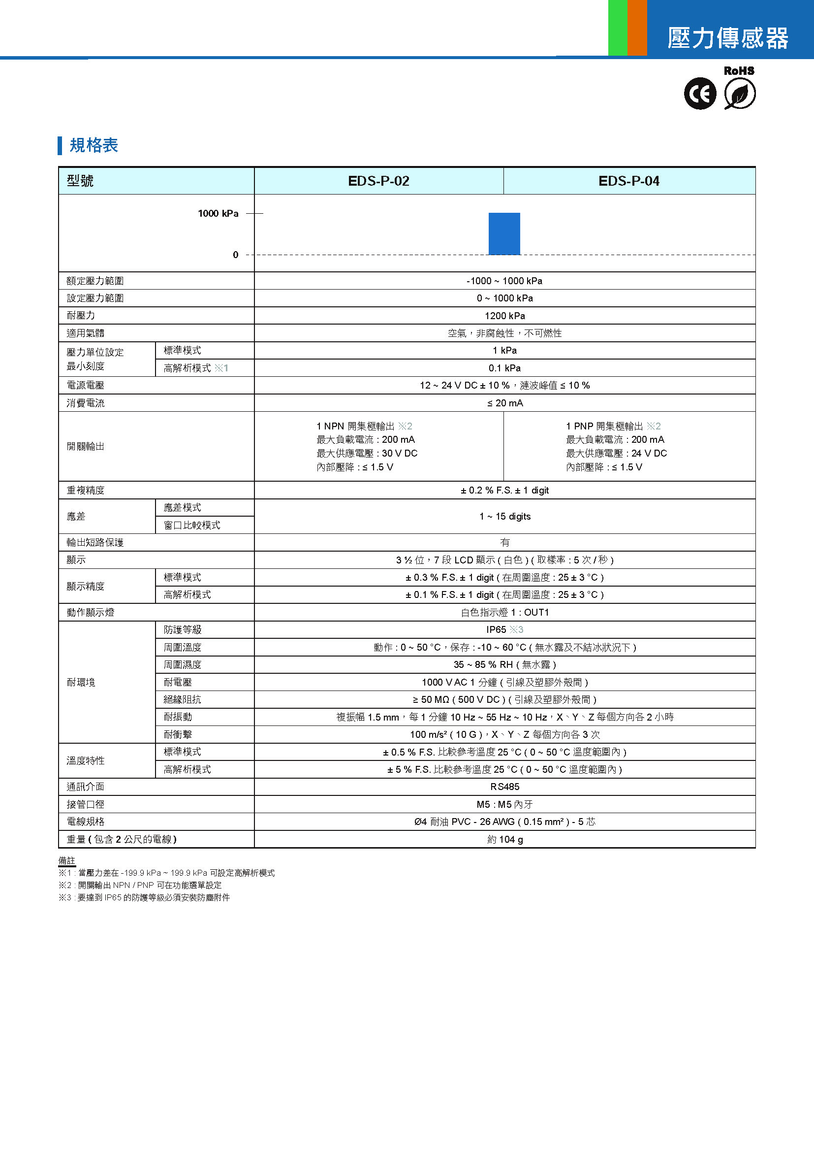
EDS-P-02-M5、EDS-P-04-M5
附件
EDS型錄.pdf
EDS系列操作手冊.pdf
數量 :
加入詢價車
規格
特點
特性:
數位 LCD 顯示
保護構造 : IP65
壓力範圍 : 0 ~ 1000 kPa
通訊協定 RS485 Modbus RTU
高解析模式,解析度提高 10 倍
開關輸出 NPN / PNP 可設定